تفاوت MCB، MCCB، RCCB، RCBO و ACB به زبان ساده
سلام به دوستای برقی و مهندسای عزیز 🙌
امروز یه بحث مهم داریم که توی صنعت و حتی توی برق ساختمونی خیلی به درد میخوره. راستش من خودم زیاد اهل تاریخچه و قصهگویی نیستم 😅، مستقیم میریم سر اصل مطلب:
🔹 MCB (Miniature Circuit Breaker)
- همون کلید مینیاتوری خودمونه.
- وظیفه: حفاظت در برابر اضافه جریان و اتصال کوتاه.
- محدوده جریان: تا حدود 125 آمپر.
- کاربرد: خونهها، آپارتمانها، بارهای سبک صنعتی.
👉 مثال: تو جعبه فیوز خونهت همینا هستن.
توی عکس بالا چند نمونه اشو میتونید ببینید.
MCB یا همون کلید مینیاتوری، یه جور کلید اتوماتیکه که وقتی جریان از حد مجاز بیشتر بشه یا اتصال کوتاه رخ بده، خودش سریع مدار رو قطع میکنه. اینجوری هم از تجهیزات محافظت میشه، هم از سیمکشی و کابلها.
⚙️ وظیفه اصلی MCB
- حفاظت در برابر اضافهجریان (Overload):
وقتی دستگاهی بیشتر از حد مجاز جریان بکشه (مثلاً موتور گیرپاژ کنه یا تعداد مصرفکنندهها زیاد بشه)، MCB بعد از یه مدت کوتاه مدار رو قطع میکنه تا کابلها و دستگاهها نسوزن. - حفاظت در برابر اتصال کوتاه (Short Circuit):
اگه دو فاز به هم بخورن یا سیم فاز به نول/ارت برخورد کنه، جریان به شدت بالا میره. MCB تو کسری از ثانیه قطع میکنه.
🔍 محدوده جریان و ولتاژ
- محدوده جریان نامی: از ۱ آمپر تا حدود ۱۲۵ آمپر (بسته به مدل).
- ولتاژ کاری: معمولاً ۲۳۰ ولت تکفاز یا ۴۰۰ ولت سهفاز.
- قدرت قطع (Breaking Capacity): از ۶kA تا ۱۰kA (بعضی برندها حتی بالاتر). این یعنی کلید تا چه حد میتونه جریان اتصال کوتاه رو مهار کنه.
📊 منحنی قطع MCB
کلیدهای مینیاتوری فقط یه مدل نیستن! زیمنس، اشنایدر و بقیه سازندهها چند نوع منحنی قطع دارن:
- تیپ B(تند کار): حساستر، برای مصارف خانگی (مثلاً لامپ و پریز).
- تیپ C(کندکار): پرکاربردترین نوع در صنعت و ساختمان، مناسب بارهای موتوری و عمومی.
- تیپ D: مخصوص بارهای خیلی سنگین با جریان راهاندازی بالا (مثل موتورهای بزرگ یا ترانس).
فرق اصلی این تیپها توی زمان قطع در برابر جریان اضافه است.
🏠 کاربردهای اصلی MCB
- تابلو برقهای ساختمونی (واحدهای مسکونی و تجاری).
- بارهای سبک صنعتی مثل موتورهای کوچک، فن، پمپهای کوچیک.
- سیستمهای روشنایی.
- حفاظت از پریزها و تجهیزات اداری (کامپیوتر، کولر گازی، سیستم صوتی و ...).
👍 مزایای MCB
- استفاده راحت: نیاز به هیچ تنظیم خاصی نداره.
- ایمنی بالا: سریع عمل میکنه و جلوی آتیشسوزی سیمها رو میگیره.
- طول عمر بالا: برخلاف فیوز که با هر بار عمل کردن میسوزه، MCB رو میتونی دوباره وصل کنی.
- هزینه کم: نسبت به کلیدهای بزرگتر ارزونتر و اقتصادیتره.
👎 محدودیتهای MCB
- فقط برای جریانهای کم تا متوسط جواب میده.
- توی بارهای خیلی سنگین (کارخونهها، موتورهای بزرگ) مناسب نیست.
- حفاظت در برابر نشتی جریان (برقگرفتگی) نداره → برای این کار باید RCCB یا RCBO بذاری.
✅ جمعبندی
MCB همون سرباز خط مقدم توی حفاظت الکتریکیه. تو خونهها و بارهای سبک، این کلید کوچیک بیشترین کاربرد رو داره. ارزونه، مطمئنه و کار راهاندازه. اما اگه بخوای بری سمت بارهای بالاتر، باید بری سراغ MCCB یا ACB.

حالا بریم سراغ MCCB
🔹 MCCB (Molded Case Circuit Breaker)
- یه پله بالاتر از MCB.
- وظیفه: همون حفاظت جریان، ولی با ظرفیت خیلی بیشتر.
- محدوده جریان: تا 2500 آمپر.
- قابلیت تنظیم جریان نامی و زمان قطع.
- کاربرد: تابلوهای اصلی، کارخونهها و بارهای صنعتی سنگین.
👉 مثال: ورودی برق یه سالن تولید بزرگ.
MCCB همون کلید اتوماتیک فریم داره که وقتی جریان از حد مجاز بیشتر بشه یا اتصال کوتاه پیش بیاد، مدار رو قطع میکنه. فرقش با MCB اینه که برای جریانهای خیلی بالاتر طراحی شده و امکانات حرفهایتری داره. عموما جریان اصلی تابلو برق های صنعتی رو با این کلید قطع و وصل میکنن.
⚙️ وظایف MCCB
- حفاظت در برابر اضافه بار (Overload):
وقتی جریان بیشتر از ظرفیت کابل/دستگاه بشه، MCCB مدار رو قطع میکنه. - حفاظت در برابر اتصال کوتاه (Short Circuit):
جریانهای خیلی بزرگ (دهها برابر جریان نامی) رو در کسری از ثانیه قطع میکنه. - حفاظت در برابر خطاهای زمین (Ground Fault):
بعضی مدلها قابلیت حفاظت نشتی زمین هم دارن. - کلیدزنی و قطع و وصل بار:
علاوه بر حفاظت، میتونی مثل یه کلید اصلی هم ازش استفاده کنی.
🔍 محدوده جریان و ولتاژ
- محدوده جریان نامی: از ۱۰ آمپر تا حدود ۲۵۰۰ آمپر (بسته به مدل و سایز فریم).
- ولتاژ کاری: معمولاً ۲۳۰ ولت تکفاز یا ۴۰۰-690 ولت سهفاز.
- قدرت قطع (Breaking Capacity): معمولاً بین 10kA تا 65kA (بعضی مدلهای خاص حتی بالاتر).
👉 این یعنی MCCB میتونه اتصال کوتاههای خیلی شدید رو هم جمع کنه.
🎚️ ولوم تنظیم جریان (Adjustable Current Setting)
اینجا جاییه که MCCB با MCB فرق اصلی رو نشون میده:
- توی بعضی MCCB ها یه ولوم یا پیچ تنظیم هست که میتونی جریان نامی (Ir) رو تنظیم کنی.
- مثلاً کلید 250 آمپر داری، میتونی تنظیمش کنی روی 200 یا 225 آمپر، تا دقیقاً با بار پروژهت هماهنگ باشه.
- بعضی مدلها حتی زمان قطع (tripping time) و تاخیر در برابر اضافهجریان رو هم قابل تنظیم میکنن.
👉 این ویژگی باعث میشه چندتا کلید پشت سر هم (مثلاً ورودی اصلی و زیرشاخهها) بتونن Selective Protection داشته باشن؛ یعنی خطا رو همون جایی که پیش اومده قطع کنن، نه همه جا.
🏭 کاربردهای MCCB
- ورودی اصلی تابلوهای برق صنعتی و ساختمانی بزرگ.
- حفاظت موتورهای قوی و تجهیزات صنعتی.
- کارخونهها، کارگاههای بزرگ، مراکز داده.
- جاهایی که قدرت اتصال کوتاه شبکه بالاست و MCB جواب نمیده.
👍 مزایای MCCB
- ظرفیت بالا: تا ۲۵۰۰ آمپر رو راحت پوشش میده.
- تنظیمپذیری: جریان و زمان قطع رو میتونی بهینه کنی.
- قدرت قطع بالا: برای شبکههای صنعتی مناسبه.
- امکان اتصال به تجهیزات جانبی: مثل شنت تریپ، آندرولتاژ رله، کنتاکت کمکی.
👎 محدودیتها
- بزرگتر و جاگیرتر از MCB.
- گرونتر.
- برای بارهای خیلی خیلی بزرگ (بالاتر از ۲۵۰۰ آمپر) باید بری سراغ ACB.
✅ جمعبندی
MCCB یه جورایی پادشاه تابلوهای صنعتیه.
هرجا جریان بالاست یا میخوای حفاظت دقیقتر داشته باشی، MCCB بهترین انتخابه. اون ولوم تنظیم جریان هم یه قابلیت طلاییه که اجازه میده مدار دقیقاً با بار واقعی تطبیق پیدا کنه.
🔹 RCCB (Residual Current Circuit Breaker)
- معروف به محافظ جان.
- وظیفه: تشخیص نشتی جریان (مثلاً برقگرفتگی یا نشتی به زمین).
- نکته: حفاظت در برابر اتصال کوتاه یا اضافه بار نداره!
- کاربرد: برای حفاظت از افراد در برابر برقگرفتگی.
👉 مثال: توی ویلاها یا جاهایی که استخر دارن خیلی استفاده میشه.

۱) RCCB چیه و چطور کار میکنه؟
RCCB یا محافظ نشت جریان، دستگاهیه که اختلاف بین جریان ورودی و خروجی رو میسنجه. تو یه مدار سالم مجموع جریانهای فازها و نول باید صفر باشه (همه جریان برمیگرده). اگه بخشی از جریان «نشت» کنه به زمین (مثلاً از طریق بدن آدم یا یک عایق خراب)، اون توازن به هم میخوره و RCCB تشخیص میده و مدار رو قطع میکنه.
- فرمول سادهش: اگر I₁ + I₂ + I₃ + Iₙ ≠ 0 → RCCB تریپ میکنه.
- نکته مهم: RCCB جریان اضافه (overcurrent) رو محافظت نمیکنه — فقط نشت به زمین رو متوجه میشه. پس معمولاً با MCB ترکیب میشه یا به صورت RCBO (ترکیب RCD+MCB) استفاده میشه.
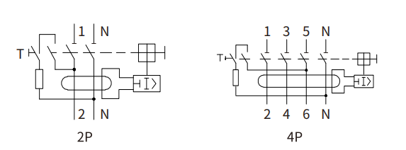
۲) انواع براساس تعداد پل (Poles) — تکفاز و سهفاز
- دو پل (2P) — برای مدار تکفاز (L + N).
- سه پل (3P) — برای سهفاز بدون عبور نول (فقط فازها رو مانیتور میکنه).
- چهار پل (4P / 3P+N) — برای سهفاز با نول؛ وقتی میخوای هم فازها و هم نول رو قطع کنی ازش استفاده کن.

تصویر بالا مربوط به RCBO 3P+N هستش.
لب کلام میگه آقا جان جمع جریان های ورودی باید با خروجی برابر باشه در غیر این صورت ی جای کار میلنگه.
انتخاب مهم: اگر بارهای سهفازت نول مصرف میکنن (مثلاً در سیستمهایی که بار بین فاز و نول دارن)، حتماً از 4P استفاده کن تا نول هم داخل حلقه اندازهگیری باشه.
۳) حساسیت (Rated residual operating current — IΔn)
- 10 mA: برای تجهیزات پزشکی یا موارد خیلی حساس.
- 30 mA: مرسومترین مقدار برای «حفاظت افراد» — پریزها، حمام، آشپزخانه و ...
- 100 mA – 300 mA: معمولاً برای «حفاظت در برابر حریق» و محافظت کلی تابلو (جلوگیری از آتشسوزی ناشی از نشتیهای کوچک).
قاعده کلی: برای حفاظت جانی از 30mA استفاده کن. برای کنترل خطر آتش معمولاً از 100–300mA در کل تابلو استفاده میکنن.
۴) انواع موج/قابلیت تشخیص (Type AC / A / F / B)
- Type AC: فقط نشتهای سینوسی متناوب (AC) رو تشخیص میده.
- Type A: نشتهای AC و «نشتی پالسدار» (مثلاً برخی مدارهای الکترونیکی) رو هم میگیره.
- Type F: برای بارهای با الکترونیک قدرت با فرکانس بالا مناسبتر (مثل برخی درایوها).
- Type B: حساسترین؛ نشتهای AC، پالس، و جریان DC رو هم تشخیص میده — لازم برای اینورترها، شارژرهای الکترونیک صنعتی، فتوولتائیک و VFDها.
اگر سیستمات شامل VFD، اینورتر، یا شارژرهای مدرنِ با خروجی DC باشه، احتمالاً باید Type B یا سازگار باشه تا قطعهای مزاحم یا عدمتشخیص رخ نده.
۵) دکمه تست (TEST) — چهطور کار میکنه و هر چند وقت تست کنیم؟
- روی همه RCCBها یه دکمه «T» یا «Test» وجود داره. وقتی میزنیش، یه مدار داخلی جریانی رو شبیهسازی میکنه که باعث عدمتعادل میشه و RCCB باید قطع کنه.
- هدف: اطمینان از اینه که مکانیزم تریپ سالمه.
- هر چند وقت؟ توصیه معمول: ماهانه تست کن؛ حداقل هر 3 ماه تست کن. در محیطهای حساس (بیمارستان، کارگاه با رطوبت بالا) حتی بیشتر.
- اگر تریپ نکرد چی؟ یعنی مشکل: دستگاه خراب شده یا سیمکشی درست نیست — نباید علمی نگاه کنیش، باید جایگزین یا سرویس بشه.
هشدار: دکمه تست عملکرد کامل RCCB را تا حدی بررسی میکند ولی تضمین نمیکند همه انواع خطا (مثلاً جریان DC خیلی کوچک یا شرایط منحصر) را پوشش میدهد، مخصوصاً اگر از نوع AC هستید و بارهای الکترونیکی دارید.
۶) نصب و نکات اجرایی مهم
- همهی هادیهای جریان (فازها و نول) باید از داخل حلقهی حسگر عبور کنن — اگر یکی رو دور بزنی، RCCB کار نخواهد کرد.
- نول مشترک/شکنندهها: نباید نول رو بهصورت جداگانه از RCCB عبور بدی یا نول مشترک بین مدارها بذاری؛ این اشتباه باعث عدم عملکرد یا تریپ کاذب میشه.
- در مدارهای سهفاز با هارمونیک / VFD از نوع مناسب (A/F/B) استفاده کن.
- ترکیب با MCB یا استفاده از RCBO: چون RCCB جریان اضافه و اتصال کوتاه رو قطع نمیکنه، معمولاً باید با MCB ترکیب بشه یا از RCBO برای حفاظت کامل استفاده بشه که در ادامه میگم.
- قدرت قطع (Breaking capacity): در انتخاب RCCB دقت کن که توان قطع اتصال کوتاه لازم برای محل نصب رو داشته باشه (بخصوص در تابلوهای اصلی).
۷) مشکلات رایج و عیبیابی (Troubleshooting)
- تریپ مداوم بدون بار واضح: ممکنه رطوبت، عایق خراب، یا قطعشدن سیمعایق باشه. همه مصرفکنندهها رو جدا کن و تکتک وصل کن تا مدار مشکلدار رو پیدا کنی.
- تریپ هنگام روشن شدن دستگاه خاص (موتور، پمپ یا وسیله با هیتر): ممکنه جریان نشتی لحظهای بالا باشه — اگر دستگاه دارای EMI filter یا کنداکتورهای داخلیه، از نوع A یا B استفاده کن.
- بعد از نصب یا تعمیر، RCCB تریپ میکنه: احتمالاً نول و فازها به درستی از داخل RCCB عبور نکردن یا اتصال نول با ارت وجود داره.
- عدم تریپ با دکمه تست: احتمال خرابی مکانیزم، سیمکشی ناقص یا مشکل در نصب — فورا تعویض یا سرویس کن.
۸) انتخاب RCCB — جدول سریعِ راهنما
| کاربرد | حساسیت | نوع (AC/A/B) |
| |
| پریزها و حفاظت افراد (مسکونی) | 30 mA | A یا AC (ترجیحاً A) | 30mA استاندارد حفاظت جانی | |
| آشپزخانه، حمام، استخر | 30 mA | A یا B اگر تجهیزات الکترونیکی هست | حتماً تست ماهانه | |
| ورودی اصلی تابلو (حریق) | 100–300 mA | AC/A | برای کاهش خطر آتش | |
| سیستمهای با اینورتر/VFD/فتوولتائیک | 30 mA یا مطابق نیاز | B | نوع B اغلب لازم است | |
| تجهیزات پزشکی | 10 mA | خاص/تایید شده | نیاز به استانداردهای ویژه |
۹) نکات نهایی و چکلیست سریع برای نصاب یا مهندس
- مطمئن شو همه هادیها از داخل حلقه RCCB عبور داشتن.
- حساسیت مناسب رو براساس هدف انتخاب کن (۳۰mA برای افراد).
- از نوع مناسب (A/B) استفاده کن اگر اینورتر/درایو/شارژر داری.
- دکمه تست رو ماهانه بزن و رکورد کن.
- RCCB رو با MCB یا به شکل RCBO ترکیب کن تا حفاظت کامل داشته باشی.
- اگر تریپ زائد داشتی سیستم رو مرحلهای عیبیابی کن (قطع بارها تا پیدا کردن مصرفکننده مشکلدار).
🔹 RCBO — ترکیب MCB + RCCB
۱) RCBO چیه؟
RCBO مخفف Residual Current Breaker with Overcurrent هست.
یعنی هم کار MCB (حفاظت در برابر اضافهبار و اتصال کوتاه) رو انجام میده، هم کار RCCB (محافظت در برابر نشتی جریان و برقگرفتگی).

به زبان ساده:
👉 وقتی RCBO داری، دیگه لازم نیست برای هر مدار یه MCB + RCCB بذاری. همهچیز توی یه دستگاه جمع شده.
۲) وظایف اصلی
- حفاظت اضافهبار (Overload Protection): مثل MCB.
- حفاظت اتصال کوتاه (Short Circuit Protection): مثل MCB.
- حفاظت نشتی جریان (Earth Leakage Protection): مثل RCCB.
- کلیدزنی و قطع و وصل مدار: مثل یه کلید عادی میشه روشن/خاموشش کرد.
۳) انواع و پلها (Poles)
- تکفاز (1P+N): بیشترین کاربرد در خونهها و آپارتمانها.
- سهفاز (3P یا 4P — بسته به نول): بیشتر توی صنعت و بارهای سهفاز.
۴) محدوده مشخصات
- جریان نامی (In): از 6 آمپر تا 63 آمپر (بعضی برندها تا 100 آمپر).
- قدرت قطع (Breaking Capacity): معمولاً 6kA یا 10kA (بسته به کشور و استاندارد).
- نشتی جریان (IΔn): 10mA، 30mA، 100mA، 300mA (بسته به کاربرد).
- نوع تشخیص: AC, A, B (مثل RCCB).
۵) مزایای RCBO
- ترکیب دو حفاظت مهم در یک دستگاه → صرفهجویی در فضا و سیمکشی.
- حفاظت کامل برای هر مدار فرعی.
- اگر یه مدار خطا پیدا کنه، فقط همون قطع میشه (نه کل خونه/کارگاه مثل وقتی یه RCCB مشترک داشته باشی).
- نصب سادهتر چون همهچی یکجا هست.
۶) محدودیتها
- قیمتش بالاتر از ترکیب سادهی MCB + RCCB.
- حجم تابلو اگر تعداد زیادی مدار داشته باشی ممکنه خیلی پر بشه (چون برای هر مدار باید یه RCBO بذاری).
- در جریانهای خیلی بالا (مثلاً ورودی اصلی تابلو) معمولاً از RCCB + MCCB استفاده میکنن نه RCBO.
۷) کلید تست (TEST)
مثل RCCB، RCBO هم دکمهی Test داره.
- باید ماهانه یا هر سه ماه یکبار بزنی.
- اگه تریپ نکرد → دستگاه یا نصب مشکل داره.
۸) کاربردها
- در ساختمانهای مسکونی: برای هر خط (پریز، روشنایی، کولر گازی، پکیج و ...) یک RCBO → امنیت جانی کامل.
- در دفاتر و ادارات: مخصوصاً پریزهای عمومی یا اتاق سرور.
- در کارگاهها و آزمایشگاهها: برای مدارهای فرعی با بارهای حساس یا دستگاههایی که نشتی جریان دارن.
۹) مقایسه سریع RCBO با بقیه کلیدها
| کلید | اضافهبار | اتصال کوتاه | نشتی جریان | کاربرد اصلی | |
| MCB | ✅ | ✅ | حفاظت مدار ساده | ||
| RCCB | ✅ | حفاظت جان (با MCB ترکیب میشه) | |||
| RCBO | ✅ | ✅ | ✅ | حفاظت کامل یک مدار | |
| MCCB | ✅ | ✅ | (بعضی مدلها ✅) | بارهای بزرگ صنعتی | |
| ACB | ✅ | ✅ | (گزینهای) |
|
✅ جمعبندی
RCBO بهترین گزینه برای مدارهای فرعیه، مخصوصاً جایی که امنیت جانی خیلی مهمه (خونهها، دفاتر، آزمایشگاهها).
باهاش دیگه نیاز نداری برای هر خط یه MCB + RCCB بذاری. تنها نقطه ضعفش قیمت بالاتره، ولی در عوض ایمنی و اطمینان کامل میگیری.
حالا سوال پیش میاد که آقا شما گفتی این کلیدارو الان از کجا بفمهمم این کلید RCBO هست یا RCCB
جوابش خیلی ساده بگم به شماتیک روی قطعه نگاه کن؛ عکس های زیر رو ببینید بهتر متوجه میشید.

ببین اینا شماتیک مربوط به RCCB هستن

ببین اون قسمتی که برات مشخص کردم وجود اون قسمت حالا ممکنه دقیقا زیرش نباشه با فلش مشخص شده باشه روی خود قطعه نشون میده که این قطعه RCBO هست اصلا اون کادری که دورش خط کشیدم خودش شماتیک MCB هست. که نشون میده این ترکیب RCCB + MCB هستش.

ببین این شماتیک RCCB هست روش معلومه.
🔹 ACB — کلید هوایی (Air Circuit Breaker)
۱) ACB چیه؟
ACB یا کلید هوایی، بزرگترین و قویترین کلید فشار ضعیفه که برای جریانهای خیلی بالا (از چند هزار آمپر) استفاده میشه.
علت اسمش هم اینه که محیط خاموشکننده جرقه، هوا هست (برخلاف بعضی کلیدها که از گاز SF6 یا روغن استفاده میکنن).

به زبان ساده:
👉 ACB یعنی کلید اصلی تابلو برقهای بزرگ.
۲) وظایف اصلی
- حفاظت اضافهبار (Overload).
- حفاظت اتصال کوتاه (Short Circuit).
- حفاظت نشتی زمین (Ground Fault) — در مدلهای پیشرفته.
- قطع و وصل بارهای خیلی بزرگ.
- کنترل و مانیتورینگ پیشرفته (با رلههای الکترونیکی یا دیجیتال).
۳) محدوده مشخصات
- جریان نامی (In): معمولاً از 800 آمپر تا 6300 آمپر.
- قدرت قطع: 50kA تا 100kA (بسته به مدل).
- ولتاژ کاری: بیشتر برای شبکههای 400V تا 690V AC.
- مدلها: ثابت (Fixed) یا کشویی (Draw-out).
۴) مدل کشویی (Draw-out) vs ثابت (Fixed)
- Fixed: روی تابلو پیچ میشه، برای تعمیر باید کل تابلو خاموش بشه.
- Draw-out: مثل کشو بیرون میاد؛ بدون خاموشی کامل میشه سرویس یا تعویض کرد.
👉 توی پروژههای صنعتی بزرگ معمولاً مدل کشویی انتخاب میشه چون خیلی راحتتره برای تعمیر و نگهداری.
۵) قابلیتهای پیشرفته ACB
اینجا ACB خودش رو از MCCB جدا میکنه:
- تنظیمات خیلی دقیق: جریان، زمان قطع، تاخیر، انتخاب منحنی حفاظتی.
- رلههای هوشمند: امکان تنظیم از پنل دیجیتال یا حتی مانیتورینگ از راه دور.
- ماژولهای ارتباطی: میشه به سیستمهای مانیتورینگ (SCADA, BMS) وصلش کرد.
- حفاظت Selective: میشه تنظیم کرد که خطا رو همون جایی که پیش اومده قطع کنه، نه کل سیستم.
- قابلیت سنکرونسازی و بارگذاری: در پروژههای خیلی خاص مثل نیروگاهها.
۶) کاربردها
- ورودی اصلی تابلو برق کارخونهها، پالایشگاهها، مراکز داده، بیمارستانها.
- جاهایی که بارهای خیلی بزرگ دارن (هزاران آمپر).
- سیستمهای حیاتی که قطع ناگهانی همه برق فاجعهباره → چون ACBها Selectivity خیلی خوبی میدن.
۷) مزایا
- پوشش جریان خیلی بالا (تا 6300A).
- قابلیت تنظیم پیشرفته.
- تعمیر و نگهداری راحت (مدل کشویی).
- امکان اتصال به سیستمهای کنترلی.
- عمر مکانیکی بالا (دهها هزار بار قطع و وصل).
۸) معایب
- قیمت خیلی بالا.ابعاد بزرگ و نیاز به فضای زیاد.
- فقط مناسب برای ورودیهای اصلی و جریانهای خیلی بالا (برای مدارهای کوچک بهصرفه نیست).
خب دوستان رسیدیم به پایان این مطلب امیدوارم براتون مفید بوده باشه.
دیدگاه خود را بنویسید